Products 線切割EDM/放電加工萬力

Detail 詳細資訊
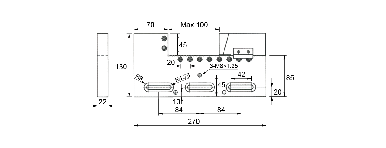
精密線切割萬力,不銹鋼材質,真空熱處理後經深冷處理再進行研磨加工,因此本體不易變形。

■ 規格:
● 平行度:±0.002mm內
● 直角度:±0.002mm內
● 材質:SUS440(不銹鋼)
● 熱處理硬度: HRC45°~55°
● 重量:4.5kg