Products 沖子研磨器-標準型

Detail 詳細資訊
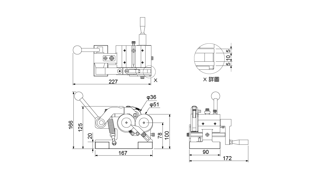
 特性:
  • 手搖沖子研磨器可裝置在平面磨床上使用,挾持圓形沖頭時無須調整,即可得同心圓。
  • 可調整旋轉按壓滾輪左右方向,使工件前進或後退,再做研磨。
  • 配合加工不同尺寸的沖子,在壓力臂上之壓力螺絲可調查壓力大小,使其加工更穩固。

規格:
  • 滾輪挾持範圍:φ1.5~φ25mm
  • 伸出研磨長度:5~35mm以內
  • 研磨精度:0.005mm以內
  • 重量:6kg