- 電動沖子研磨器是由馬達帶動,可避免手搖疲勞現象。
- 雙滾輪設計,挾持圓形沖頭時無須調整校正中心。
- 可配合正弦磁台使用,研磨各種斜度。
■ 規格:
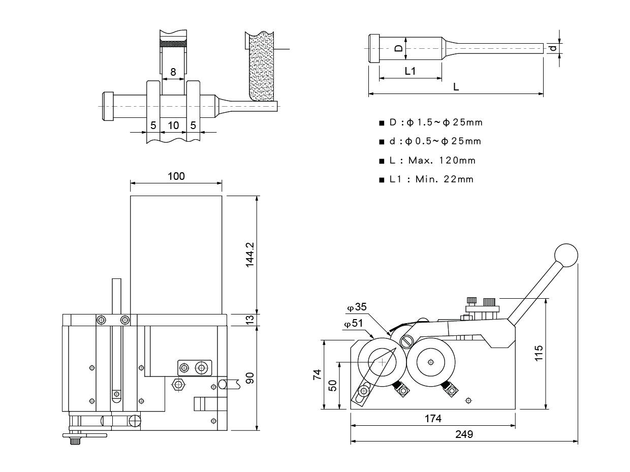
- 滾輪挾持範圍:φ1.5~φ25mm
- 工件長度:20~120mm
- 伸出研磨長度:5~35mm以內
- 研磨精度:0.005mm以內
| 訂購編號 | 型號 | 馬達 | 重量 |
| 31025-11 | MCL-250*110V | 60HZ 129R.P.M | 11kg |
| 31025-22 | MCL-250*220V | 50HZ 103R.P.M | 11kg |

MCL-250*110V MCL-250*220V

