Products 沖子研磨器-大型

Detail 詳細資訊
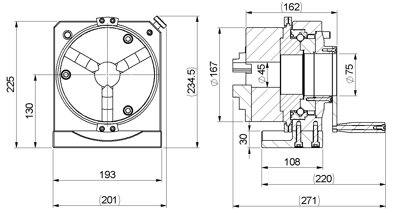
三爪易於夾持工件,拆卸容易,使用方便快速。
● 附有反爪配件可供較大外徑工件的夾持。

■ 規格:
● 中心高度:130mm
● 分割24等份、分度15度.±5"
● 貫穿孔直徑:φ45mm
● 三爪卡盤孔徑:φ45mm
● 三爪重複精度:0.015mm
● 最小夾持直徑:外徑φ4mm. 內徑 φ48mm
● 最大夾持直徑:外徑φ160mm. 內徑φ150mm