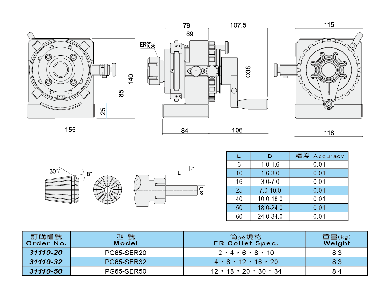
● 筒夾式沖子成型器附有ER筒夾,筒夾可伸縮使用範圍1mm。
● 筒夾夾持範圍:最小夾持φ2mm,最大夾持φ34mm。
● 本機最快速且穩固的夾持工件,加工時可更穩定的使用,且不必調整中心度即可使用。
● 採用高精密雙組軸承的主軸設計,以達到高精度及穩定性。並有傳統型數倍以上的壽命。
● 本機可接合替換各式的筒夾:如ER20、ER32、ER50等。
● 主體採用不銹鋼材質製作,不銹且易於保養。
● 筒夾及筒夾螺母非不鏽鋼製作。
■ 規格:
● 中心高度:85±0.5mm
● 分割24等份、分度15度.±5"
● 貫穿孔直徑:φ36mm
● 主座回轉精度:0.003mm

PG65-SER20 PG65-SER32 PG65-SER50

