● PGA5500沖子成型器為方便使用,特別加上三爪夾頭,可快速的將工件夾持使用。
● 附有反爪配件可供較大外徑工件的夾持。
● 採用高精密雙組軸承的主軸設計,以達到高精度及穩定性。並有傳統型數倍以上的壽命。
■ 規格:
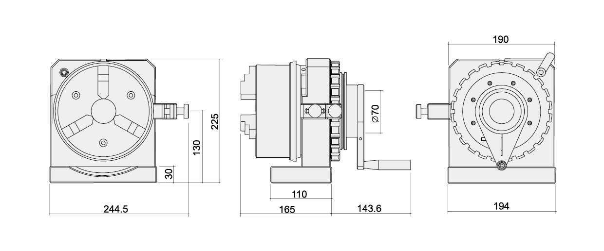
● 中心高度:130±0.5mm
● 分割24等份、分度15度.±5"
● 貫穿孔直徑:φ45mm
● 三爪孔徑:φ45mm
● 主座回轉精度:0.003mm
● 三爪卡盤重複夾持精度:0.015mm
● 最小夾持直徑:外徑φ4mm. 內徑 φ48mm
● 最大夾持直徑:外徑φ160mm. 內徑φ150mm

