Products 砂輪成型修整器

Detail 詳細資訊
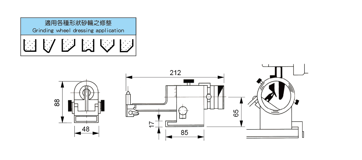
● 適用於平面磨床和萬能工具磨床。
可修整各種角度和凸凹R,並可透過視鏡觀察鑽石筆尖修整砂輪表面接觸之情形,可精確的修整細小圓弧或度。

規格:
● 中心高度:65mm
● 最大修整砂輪範圍:φ200mm
● 凸R修整最大半徑:10mm
● 凹R修整最大半徑:24.4mm
● 滑板修整行程:22.5mm
● 修整角度:90°~0°~95°
● 重量:4.2kg