台灣米其林精機場股份有限公司
回首頁
繁體中文
ENGLISH
公司簡介
產品介紹
最新消息
影音專區
型錄下載
世界經銷商
聯絡我們
首頁
產品介紹
Products
線切割EDM/放電加工萬力
磨床配件系列
線切割EDM/放電加工萬力
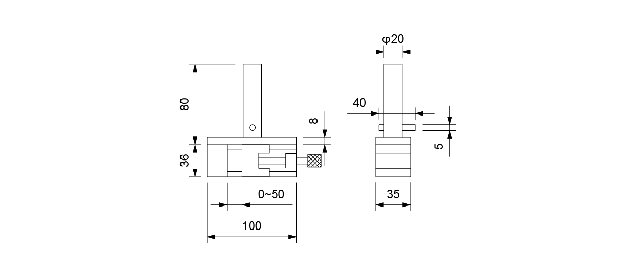
33003 放電加工萬力 (不銹鋼)
產品型號:
MCL-A10L
目錄電子檔
Detail
詳細資訊
●
專為放電加工機械設計使用,方便夾持各種不同規格之電極銅。
■
規格:
● 平行度:0.003MM內。
● 垂直度:0.005MM內。
● 材質:SUS440,硬度:HRC50°~55°。
回列表
PAGE TOP
繁體中文
ENGLISH
公司簡介
米其林 簡介
產品推薦
快速定位盤
零點定位系統
五軸虎鉗
沖子研磨機.成型器
沖子研磨器-小型
沖子研磨器-標準型
沖子研磨器-中型
沖子研磨器-大型
精密虎鉗工具萬力
工具萬力-不鏽鋼
工具萬力-板手調整
工具萬力-手輪把手
工具萬力-雙向型/正弦型
砂輪成型修整器
法蘭組/砂輪平衡台
法蘭組.砂輪穀
砂輪平衡台.平衡校正台
砂輪架/法蘭板手/紅丹
磨床配件系列
線切割EDM/放電加工萬力
固定治具/角度治具 / 正弦磁座
磁性工具
永久磁盤/不銹鋼永久磁盤/迴轉磁盤
電磁夾盤/永電式磁盤/迴轉電磁盤
磁盤整流控制器
脫磁器/除屑器
磁性吊盤
磁性座/萬向曲管/磁性吸塊
銑床配件系列
油壓虎鉗/角固虎鉗/倍力虎鉗
求同心虎鉗/並列式虎鉗/雙開口虎鉗
氣壓虎鉗/空壓虎鉗/真空吸盤
MC基座/MC基板 / 治具
夾具/千心頂/壓板/螺絲
滑座
分割頭/分度頭/工作台
尋邊器/軸設定器/3D座標探針
鎖刀座/刀具車/清潔棒
刀桿系列
車床/圓筒磨床配件
迴轉頂針 / 帶動環
固定頂針/鎢鋼固定頂針
生爪/成型圈/車型盤
油壓夾頭 (三爪) / 油壓迴轉缸 / 氣壓夾頭 (二爪 / 三爪)
手動夾頭 (三爪/四爪/六爪)
氣壓夾頭 (三爪/四爪)
車床研磨機
主軸系列 / 砂輪接桿
內徑研磨主軸 / 端面研磨主軸
平面磨床研磨主軸
搪銑主軸頭 / 銑頭
磨刀機專用主軸
砂輪接桿 / 砂輪接柄
專用機/小型加工機械
攻牙機/攻牙器/牙攻去除機
鑽孔機/鑽孔頭
磨刀機
倒角機
切斷機
手動銘版編號機
機械週邊設備
冷卻泵浦
磁鐵紙帶過濾機
切削液淨化循環機
乾濕兩用吸塵器
直角標準座
直角標準座
最新消息
影音專區
編輯中
型錄下載
展覽海報
世界經銷商
亞洲
歐洲
北美洲
南美洲
非洲
聯絡我們
公司位置圖
諮詢表單
使用條款
免責聲明