Products 工具萬力-雙向型/正弦型

Detail 詳細資訊
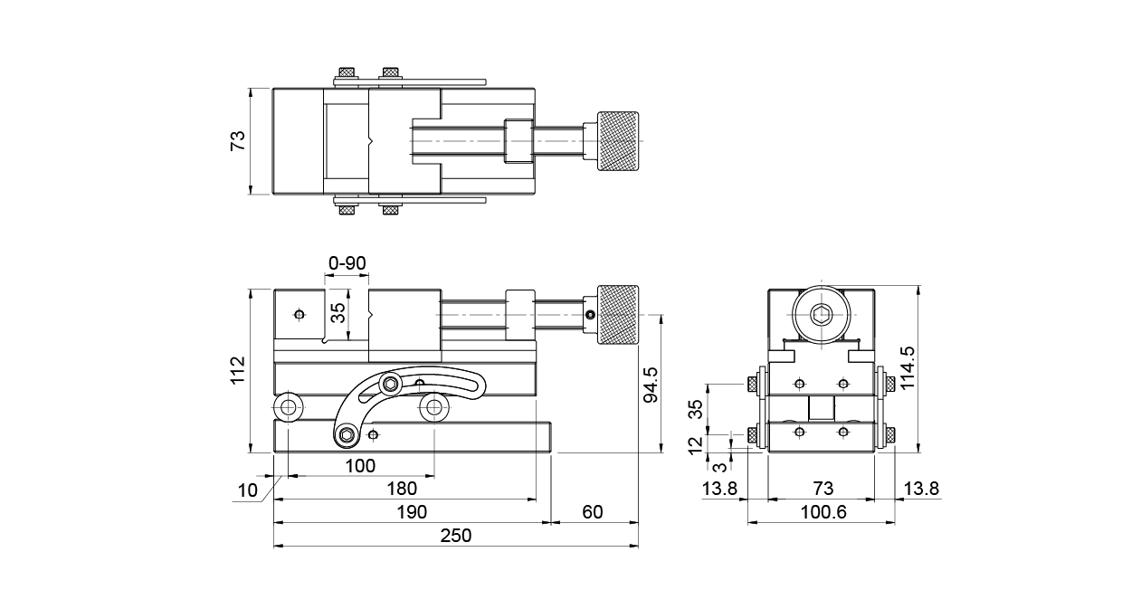
正弦開口設計,操作簡易,精密度高且穩固。
握把式旋轉,夾持方便,配合墊塊使用可調整至多種角度,作精密角度加工研磨。

規格:
● 材質:SK2
● 硬度:HRC56°±2
● 最大調整角度:46°
● 平行度:100mm/0.005mm內
● 垂直度:100mm/0.005mm內