Products 固定治具/角度治具 / 正弦磁座

Detail 詳細資訊
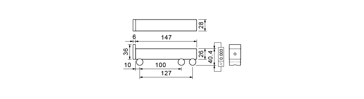
正弦棒可量測或校正角度的準確性。
● 墊輪中心距離設定為100MM,亦可調整為5ʺ使用。
● 兩墊輪中心精度:0.004mm內。
● 平行精密度:0.003mm內。
● 材質:YK30. 硬度:HRC56°±2
● 重量 N.W.:1kg