● 適合較小及較薄的工件,精密研磨加工.
● 殘留磁性低,可提昇薄工件的研磨精密度.
● 可適度的調整磁力強弱.
● φ400以上為雙開關。
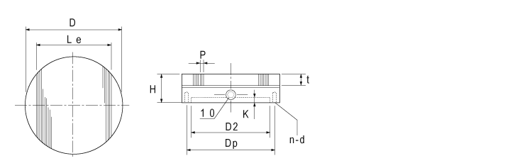
| 訂購編號 | 型號 | 磁盤尺寸 | 磁距 | 固定孔位 | 重量 (kg) |
|||||||
| D | Le | t | H | P | D2 | K | Dp | n | d | |||
| 34041-10 | HRW-10 | φ100 | 67 | 18 | 58 | 2 (1+1) | 60 | 2 | 76 | 3 | M6 | 3.7 |
| 34041-12 | HRW-13 | φ125 | 80 | 18 | 64 | 2 (1+1) | 80 | 2 | 112 | 3 | M6 | 6.2 |
| 34041-16 | HRW-16 | φ160 | 115 | 18 | 64 | 2 (1+1) | 125 | 2 | 140 | 4 | M8 | 9.5 |
| 34041-20 | HRW-20 | φ200 | 155 | 18 | 64 | 2 (1+1) | 160 | 2 | 180 | 4 | M8 | 15 |
| 34041-25 | HRW-25 | φ250 | 205 | 18 | 64 | 2 (1+1) | 200 | 2 | 224 | 4 | M10 | 23 |
| 34041-30 | HRW-30 | φ300 | 255 | 18 | 64 | 2 (1+1) | 230 | 2 | 260 | 4 | M10 | 36 |
| 34041-40 | HRW-40 | φ400 | 340 | 18 | 64 | 2 (1+1) | 315 | 3 | 355 | 4 | M10 | 64 |
| 34041-50 | HRW-50 | φ500 | 440 | 20 | 65 | 4 (1+3) | 350 | 4 | 400 | 8 | M12 | 105 |
| 34041-60 | HRW-60 | φ600 | 540 | 20 | 65 | 4 (1+3) | 450 | 4 | 500 | 8 | M12 | 147 |

