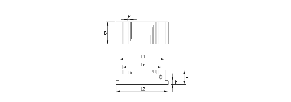
● 吸力強較一般磁盤增加20%,特殊的磁場結構,對工件的磁化力非常小。
● 底座為一體成型加工,鋼性及穩定性特優;傳動軸長度增長2倍以上,較一般型耐磨耗2倍以上。
● 防水設計,可在液體中使用。
● HMT-1224B以上規格為雙開關。
.png)

HMT-407B HMT-412B HMT-510B HMT-606B HMT-612B HMT-614B HMT-616B HMT-618B HMT-808B HMT-812B HMT-816B HMT-818B HMT-820B HMT-824B HMT-1010B HMT-1012B HMT-1016BHMT-1020B HMT-1212B HMT-1216B HMT-1220B HMT-1224B HMT-1236B HMT-1616B HMT-1620B HMT-1624B HMT-1632B HMT-1640B
HMT-1018B HMT-1030B HMT-1325B HMT-1515B HMT-1530B HMT-1535B HMT-1540B HMT-1545B HMT-2020B HMT-2030B HMT-2040B HMT-2045B HMT-2050B HMT-2060B HMT-2525B HMT-2530B HMT-2540B HMT-2550B HMT-3030B HMT-3040B HMT-3050B HMT-3060B HMT-3090B HMT-4040B HMT-4050B HMT-4060B HMT-4080B HMT-40100B

