● 適用於車床、直立式車床、旋轉磨床等工作母機研削及車削加工作業,高精度,多功能機種。
● 吸力超強,針對厚的工件,能有效吸著。
● 面板附有T型溝,針對不同加工型態可配合模具及固定方式做多樣性的變化。
● 防水效果最確實,保證不滲水不漏電。
● 磁場強度可達3000高斯以上。
● 平均吸磁力18 kgf/cm2 以上。
※報價無含控制器請另外購買,控制器訂購編號No. 34183
電永磁夾盤之內部結構 :
1.永久式磁石。
2.線圈。
3.導磁板。
電永磁夾盤之動作原理 :
以線圈包圍永久磁石,線圈以瞬間激磁方式,將磁石充磁,藉此達到吸磁或脫磁的目的。線圈將磁石磁化後,透過導磁板在面板上形成NS極,故可使導磁性工件吸著。其動作均由電源供應控制器來操控。吸磁及脫磁的時間在一秒鐘以內完成。
電永磁夾盤之特性 :
1.與永久磁盤相同沒有內部溫升所造成的精度變化,適合高精度加工。
2.以永久磁鐵產生的磁場吸著工件,於作業中無需擔憂停電困擾,相對安全性大幅增加。
3.以電控操作ON-OFF開關,增加其方便性。
4.沒有永久磁盤的傳動元件,使其磁盤更加經久耐用。
5.與電磁盤相同,可任意調整磁場大小。

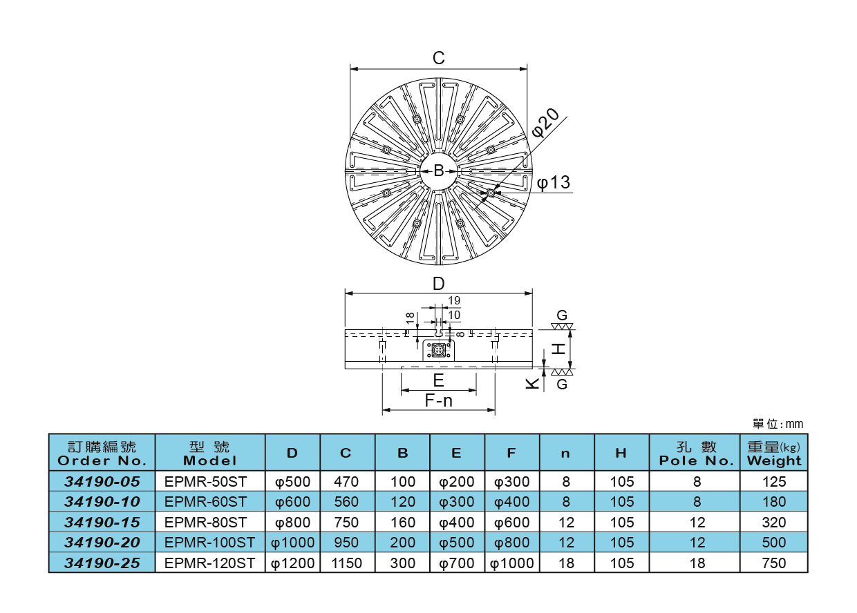
EPMR-50ST EPMR-60ST EPMR-80ST EPMR-100ST EPMR-120ST

