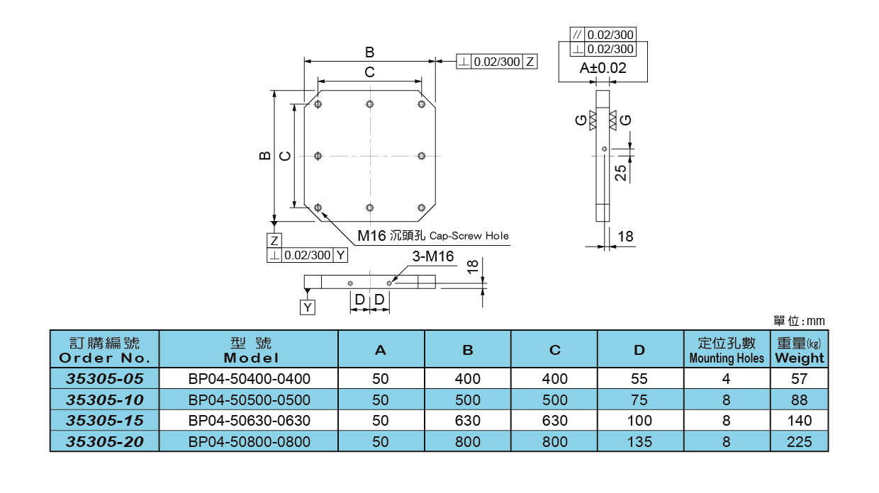
Products MC基座/MC基板 / 治具

Detail 詳細資訊
材質:FC30,熱處理:燒鈍。
適用於臥式MC。
可依實際需要,自行鑽孔加工製作專用治具。
 

BP04-50400-0400 BP04-50500-0500 BP04-50630-0630 BP04-50800-0800