Products MC基座/MC基板 / 治具

Detail 詳細資訊
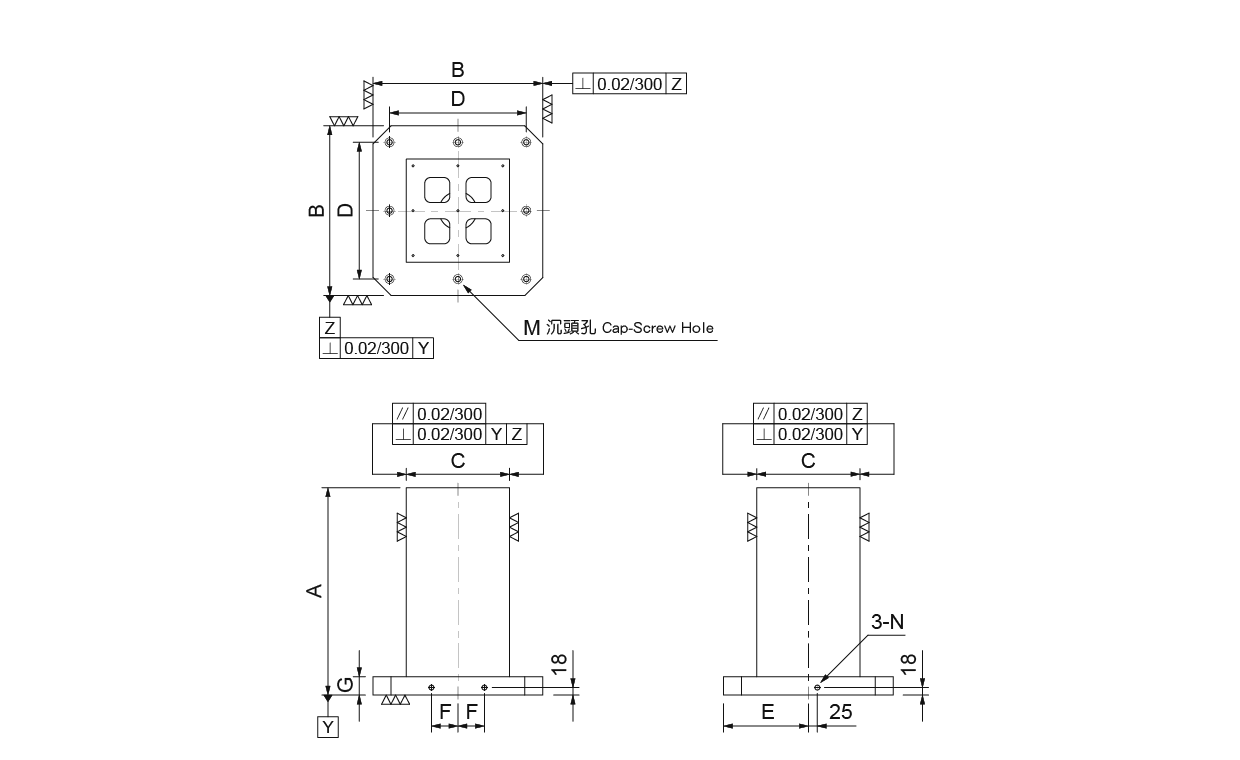
材質:FC30,熱處理:燒鈍。
適用於臥式MC。
可依實際需要,自行鑽孔加工製作專用治具。
 


BP07-300300-0500 BP07-400400-0500 BP07-500500-0600 BP07-630630-0700 BP07-800800-0800 BP07-10001000-1000 BP07-400400-0650 BP07-500500-0750 BP07-630630-0850 BP07-800800-1000 BP07-10001000-1250