Products MC基座/MC基板 / 治具

Detail 詳細資訊
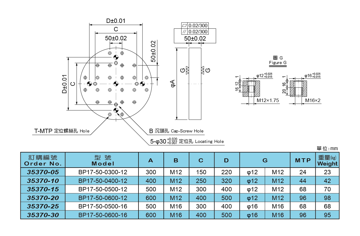
材質:FC30,熱處理:燒鈍。
適用於NC分度盤。
 以孔定位方式,利用標準化治具零件,可快速組立完成一套符合需要之治具。
 

BP17-50-0300-12 BP17-50-0400-12 BP17-50-0500-12 BP17-50-0600-12 BP17-50-0500-16 BP17-50-0600-16