-
首頁
-
產品介紹
Products
求同心虎鉗/並列式虎鉗/雙開口虎鉗
-
銑床配件系列
-
求同心虎鉗/並列式虎鉗/雙開口虎鉗
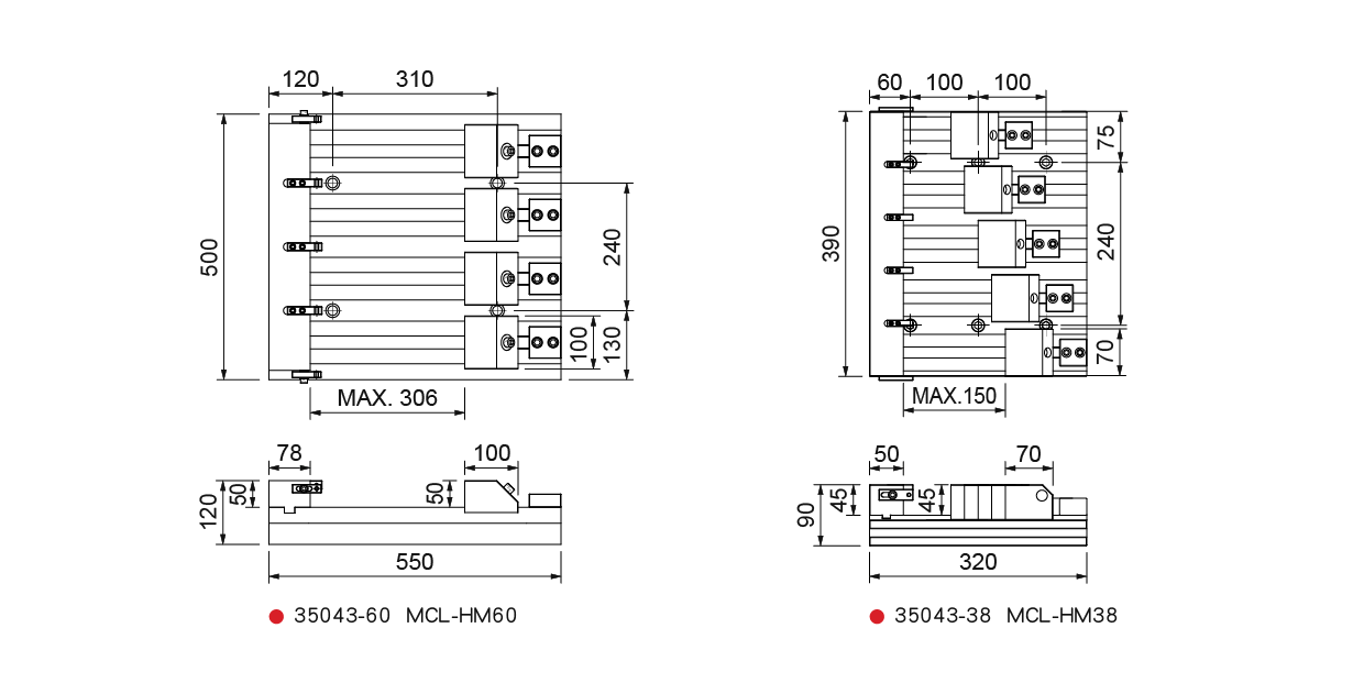
35043 精密連體虎鉗
產品型號:MCL-HM__
Detail
詳細資訊
● 連體併列式虎鉗,適用NC銑床機械,可同時夾持數個大小相同或不同的工件加工。
● 本體鋼材一體成型製造,鋼性強精密度高。
● 活動式虎口壓板設計,可隨意快速移動調整夾持位置。
● 平行度: 100mm/0.005mm內。
● 垂直度: 100mm/0.01mm內。
.png)
MCL-HM38 MCL-HM60