Products 油壓夾頭 (三爪) / 油壓迴轉缸 / 氣壓夾頭 (二爪 / 三爪)

Detail 詳細資訊
鋁合金外型構造,重量比傳統迴轉缸輕,形體結構小型化,在高速迴轉時,保持性能的穩定及減輕機械負擔。
內藏止回閥設計,於突發之壓降時仍可保持推力,在溫升時可防止油缸損壞。
 



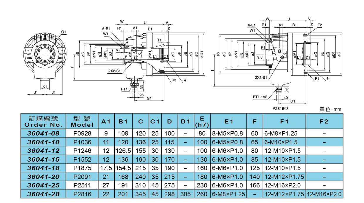
P0928 P1036 P1246 P1552 P1875 P2091 P2511 P2816