Products 平面磨床研磨主軸

Detail 詳細資訊
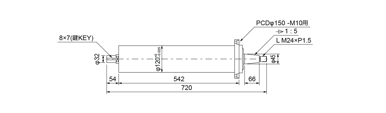
本主軸適用於大型龍門平面磨床使用。
主軸前端和後端各配置有兩個高速精密軸承。
主軸適用馬達:5HP ~ 7.5HP。
每分鐘轉速:1,800 ~ 2,800 R.P.M。
錐度規格:1/5。
錐度偏擺精度:1.5um內。
 

POB-50×160R POB-50×160L POB-60×200R POB-60×200L