Products 搪銑主軸頭 / 銑頭

Detail 詳細資訊
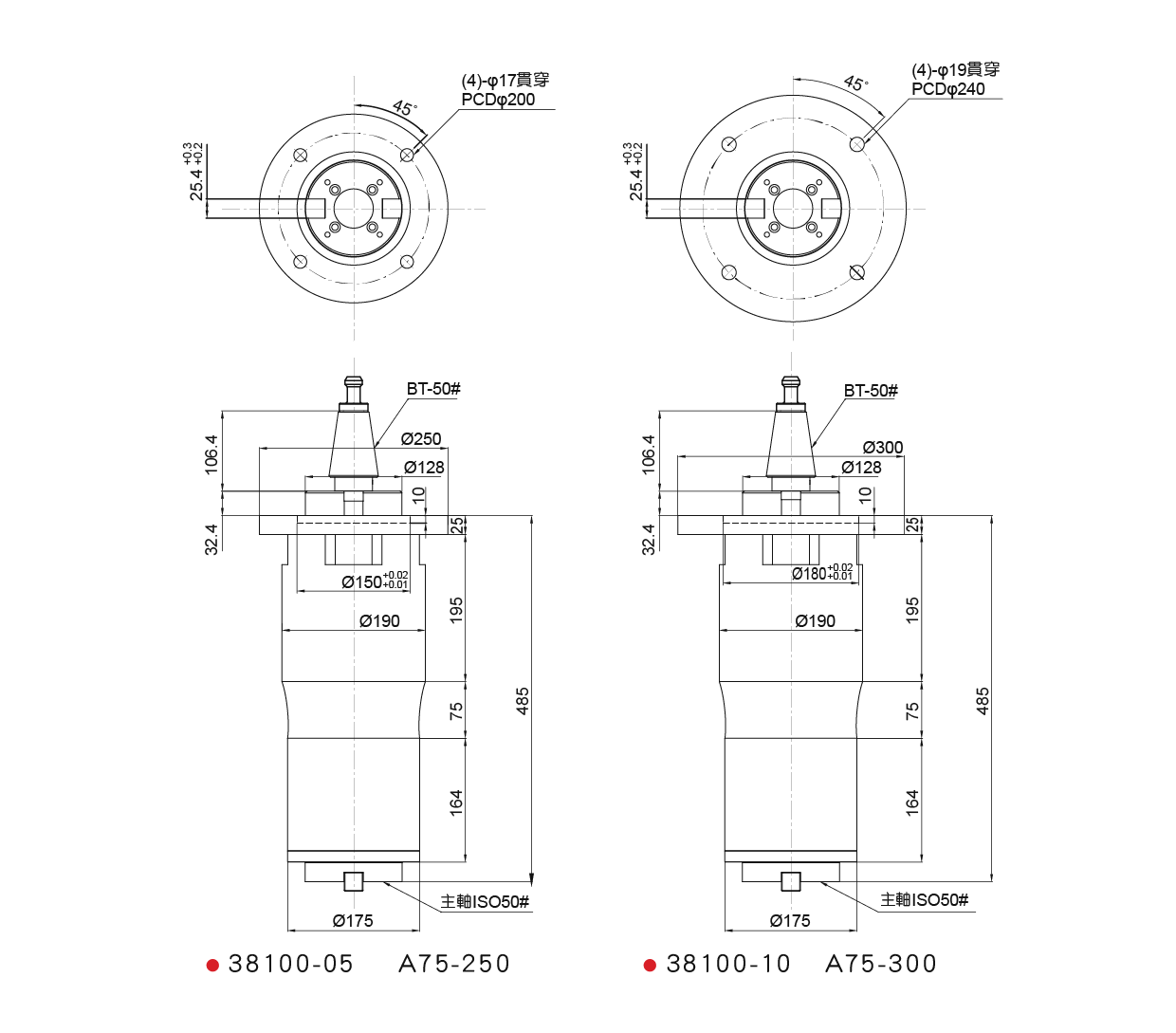
法蘭面尺寸:φ250mm / φ300mm
主軸錐度:BT50
主軸轉速:2000R.P.M. / 800R.P.M
銑刀最大直徑:φ200mm
重量:63kg
 

A75-300 A75-250