Products 搪銑主軸頭 / 銑頭

Detail 詳細資訊
經濟化改變機械立式銑削工作,使一機多用途之直角銑頭。
產品體積小,操作自如,適合複雜機件之加工,可收納於刀庫內。
已加裝刻度盤可作360˚調整角度選擇銑刀加工方向。
可選購加裝半自動刻度盤,即可每15˚角調整,不須再校正主軸角度。
適合槽內部之搪銑,端面整修,做斜面倒角等加工工作。
主軸及齒輪採用鉻鉬合金鋼並經特殊滲碳熱處理,可確保堅固耐用。

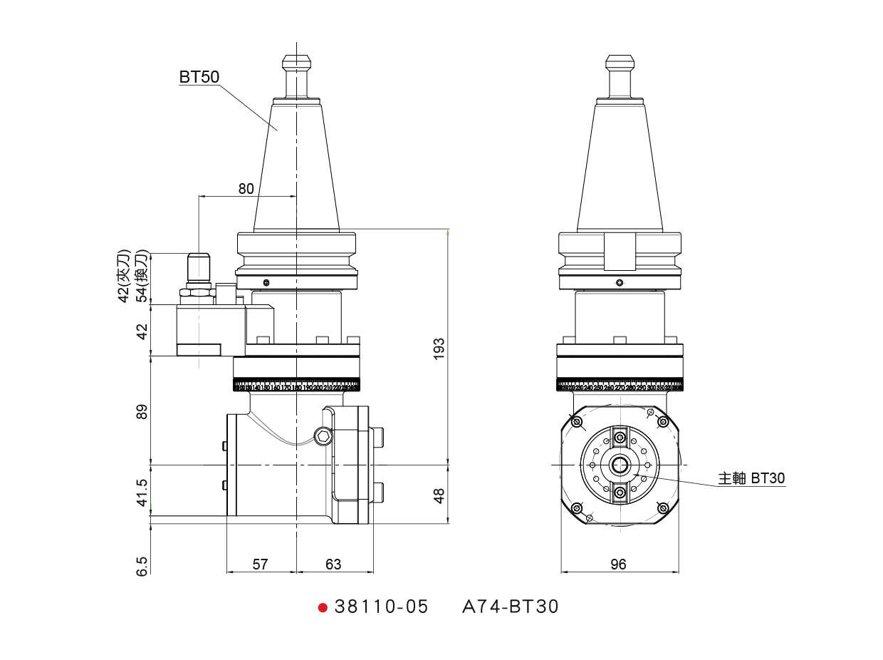
■規格:

主軸錐度:BT30
主軸轉速:2000R.P.M.
銑刀最大直徑:φ50mm
重量:14kg