● 滑動面均經熱處理及精密研磨加工。
● 材質:FC30,精度:±0.01mm內。
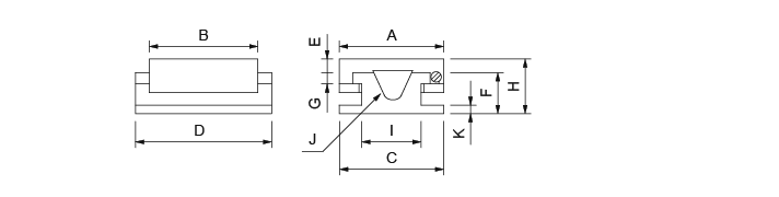
| 訂購編號 | 型號 | A | B | C | D | E | F | G | H | I | J | K | 行程 | 重量 (kg) |
|---|---|---|---|---|---|---|---|---|---|---|---|---|---|---|
| 39154-05 | STE-1630 | 160 | 200 | 160 | 300 | 20 | 70 | 17 | 90 | 90 | U-TYPE | 20 | 100 | 19 |
| 39154-10 | STE-1640 | 160 | 200 | 160 | 400 | 20 | 70 | 17 | 90 | 90 | U-TYPE | 20 | 200 | 23 |
| 39154-12 | STE-2030 | 200 | 300 | 200 | 300 | 30 | 90 | 20 | 120 | 120 | U-TYPE | 20 | 50 | 34 |
| 39154-15 | STE-2040 | 200 | 300 | 200 | 400 | 30 | 90 | 20 | 120 | 120 | U-TYPE | 20 | 100 | 40 |
| 39154-20 | STE-2060 | 200 | 300 | 200 | 600 | 30 | 90 | 20 | 120 | 120 | U-TYPE | 20 | 300 | 48 |
| 39154-25 | STE-2080 | 200 | 300 | 200 | 800 | 30 | 90 | 20 | 120 | 120 | U-TYPE | 20 | 500 | 58 |
| 39154-30 | STE-20100 | 200 | 300 | 200 | 1000 | 30 | 90 | 20 | 120 | 120 | U-TYPE | 20 | 700 | 69 |

