● 鐵屑排出口處無磁力,排屑順暢 。
● 能吸除如超硬合金,淬火鋼之脫碳層等弱酸磁性之雜質。
● 油性研磨液可得到良好之過濾效果,可節省二次過濾之費用,或減輕二次過濾之負荷。


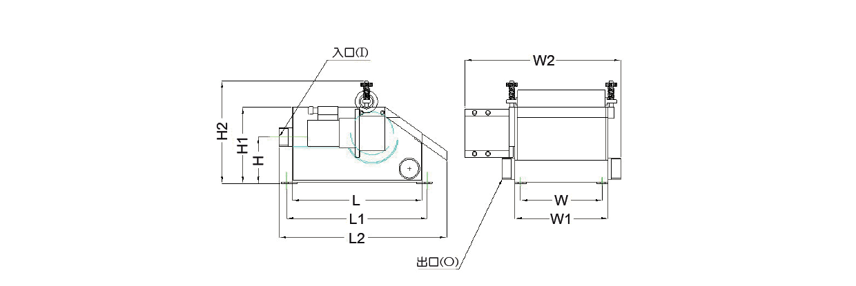
MCL-S4×220V MCL-S4×380V MCL-S6×220V MCL-S6×380V MCL-S8×220V MCL-S8×380V MCL-S12×220V MCL-S12×380V MCL-S16×220V MCL-S16×380V MCL-S24×220V MCL-S24×380V MCL-S30×220V MCL-S30×380V MCL-S36×220V MCL-S36×380V MCL-L6×220V MCL-L6×380V MCL-L8×220V MCL-L8×380V MCL-L12×220V MCL-L12×380V MCL-L16×220V MCL-L16×380V MCL-L24×220V MCL-L24×380V MCL-L30×220V MCL-L30×380V MCL-L36×220V MCL-L36×380V

