► 重複定位精度為±0.015MM。

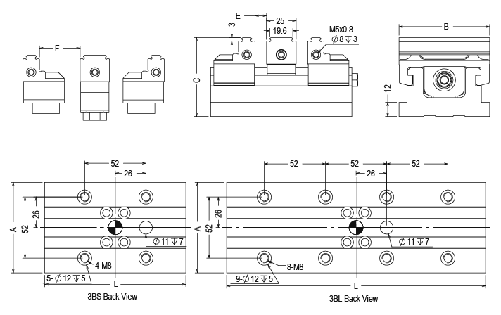
| Order NO. | Model | A | B | C | L | E | F | Force | Vise Accembly |
Fig | weight (kg) |
|---|---|---|---|---|---|---|---|---|---|---|---|
| 21005-30 | MCL-3BS040-S | 77 | 77 | 67 | 120 | 0-22 | 22-40 | 13kN/60Nm | Max.70Nm | S | 3.2 |
| 21005-32 | MCL-3BS040-C | 77 | 77 | 67 | 120 | 0-22 | 22-40 | 13kN/60Nm | Max.70Nm | C | 3.2 |
| 21005-34 | MCL-3BL090-S | 77 | 77 | 67 | 220 | 0-65 | 22-90 | 13kN/60Nm | Max.70Nm | S | 4.6 |
| 21005-36 | MCL-3BL090-C | 77 | 77 | 67 | 220 | 0-65 | 22-90 | 13kN/60Nm | Max.70Nm | C | 4.6 |

