Products 快速定位盤

Detail 詳細資訊
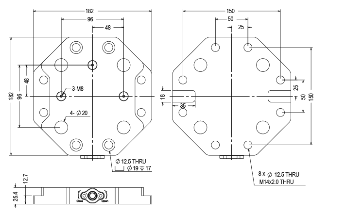
► 本體採用高級工具鋼 SCM440 硬度達HRC50°以上。 
► 重複定位精度為±0.005MM。


 
Order NO. Model Dimensions Clamping Force Repeatability Recommended weight
21062-05 MCL-260500 25.4*182*182mm 15000N 0.005mm Max.30Nm 4.3kg