▍重複定位精度高,定位和夾持同步實現。
| 訂購編號 | 型號 | A | B | C | D | E | F | G | H | 夾持力 | 拉力 | 重量 (kg) |
|---|---|---|---|---|---|---|---|---|---|---|---|---|
| 21256-05 | ZPS-32-2RL | 196 | 396 | 53 | 43 | 200 | 98 | 160 | 32 | 20KN | 55KN | 22 |
| 21256-10 | ZPS-22-2RL | 150 | 300 | 48 | 38 | 150 | 75 | 100 | 22 | 10KN | 25KN | 12 |
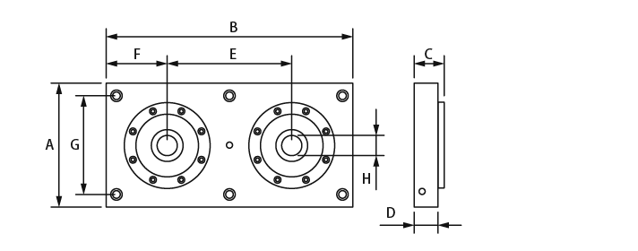
| 訂購編號 | 型號 | A | B | C | D | E | F | G | H | 夾持力 | 拉力 | 重量 (kg) |
|---|---|---|---|---|---|---|---|---|---|---|---|---|
| 21256-05 | ZPS-32-2RL | 196 | 396 | 53 | 43 | 200 | 98 | 160 | 32 | 20KN | 55KN | 22 |
| 21256-10 | ZPS-22-2RL | 150 | 300 | 48 | 38 | 150 | 75 | 100 | 22 | 10KN | 25KN | 12 |