▍中心重覆定位精度可保持±0.01mm。
▍本體材質使用合金鋼一體成型為一般螺絲鎖強度更高,滑軌經高週波熱處理HRC45°以上,可保持高耐磨性。
▍特殊的結構設計,夾持工件時所產生的下壓力有效防止工件上浮情形,鎖固力極佳。
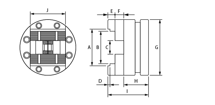
| 訂購編號 | 型號 | A | B | C | D | E | F | G | H | I | J | 重量 (kg) |
|---|---|---|---|---|---|---|---|---|---|---|---|---|
| 21300-05 | MMR-75 | 80 | 70 | 30 | 5 | 15 | 15 | 120 | 50 | 80 | 75 | 8 |
| 21300-10 | MMR-100 | 105 | 95 | 40 | 5 | 20 | 20 | 160 | 70 | 115 | 100 | 15 |
| 21300-15 | MMR-130 | 135 | 125 | 50 | 5 | 25 | 25 | 210 | 75 | 125 | 130 | 34 |
| 21300-20 | MMR-160 | 165 | 155 | 60 | 5 | 25 | 25 | 250 | 80 | 130 | 160 | 49 |

