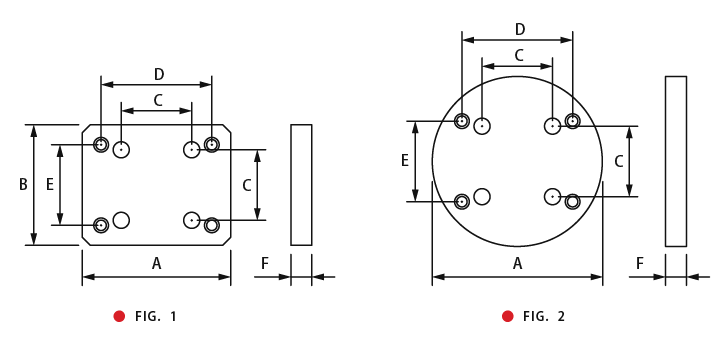
| 訂購編號 | 型號 | A | B | C | D | E | F | FIG. | 重量 (kg) |
|---|---|---|---|---|---|---|---|---|---|
| 21355-05 | MQL-96P | 192 | 156 | 96 | 150 | 100 | 27 | 1 | 6 |
| 21355-10 | MQL-52P | 150 | 116 | 52 | 100 | 50 | 27 | 1 | 6.5 |
| 21355-15 | MQL-96PR | 220 | - | 96 | 150 | 100 | 27 | 2 | - |
| 21355-20 | MQL-52PR | 180 | - | 52 | 100 | 50 | 27 | 2 | - |
| 訂購編號 | 型號 | A | B | C | D | E | F | FIG. | 重量 (kg) |
|---|---|---|---|---|---|---|---|---|---|
| 21355-05 | MQL-96P | 192 | 156 | 96 | 150 | 100 | 27 | 1 | 6 |
| 21355-10 | MQL-52P | 150 | 116 | 52 | 100 | 50 | 27 | 1 | 6.5 |
| 21355-15 | MQL-96PR | 220 | - | 96 | 150 | 100 | 27 | 2 | - |
| 21355-20 | MQL-52PR | 180 | - | 52 | 100 | 50 | 27 | 2 | - |